| Elliott Sound Products | Project 60 |
LED Audio VU Meter
Rod Elliott (ESP)
Updated 23 February 2008
Please Note: PCBs are available for this project. Click the image for details.
Thanks to Uwe |
It is quite true that there are many variations of this circuit already on the Net, but for the sake of completeness - and because there are PCBs for this version - here is yet another. The LED meter is simpler and smaller than it's analogue counterpart, and is very common in audio equipment. This version is based on a National Semiconductor IC, and uses the logarithmic version. Each LED operates with a 3dB difference from the previous one, and a jumper is provided to allow dot or bar mode. This project is also an essential part of the expandable analyser to be published soon (or perhaps "eventually"), and one meter circuit is used for each frequency band. There are many other uses for a simple LED VU meter. They are ideal as power meters on amplifiers, can be used with mixers (including the high quality mixer described in the project pages), preamps and any other application where it is important to know the signal level. |
Figure 1 - Photos of Two Versions of the LED VU Meter
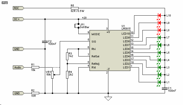
The circuit is completely conventional, and is based on the application notes from National Semiconductor. The circuit is shown in Figure 1 and as you can see it uses a single IC and a few discrete components. DC to the LEDs is almost unfiltered - C1 is included to make sure the IC does not oscillate, and is not a filter cap. This allows a higher LED current with lower dissipation than would be the case if the DC were fully smoothed, and full smoothing would also require a much larger capacitor. This increases the size and cost of the project - especially important if it is to be used in larger numbers as may be the case with a mixer or analyser.
Figure 1 - The LED VU Meter Circuit
L1 to L7 will normally be green (normal operating range) and L8 to L10 should be red (indicating overload). This gives a 9dB overload margin when the unit is calibrated as described below. As shown, full scale sensitivity (with VR1 at maximum) is 4 Volts peak (approximately 2.8 volts RMS). This is designed for direct connection to high-level preamps or low power speaker output of an amplifier. Sensitivity is easily changed.
JP1 determines dot or bar mode. With the jumper installed, the unit operates in bar mode, meaning that LEDs will light in a continuous bar. If the jumper is omitted, then only the LED corresponding to the current signal level will light. Dot mode uses far less current, but the display is not as visible.
Power comes from a 15V transformer (connected to AC1-AC2). You can generally use the smallest one available, as average power is quite low. The peak current is about 120mA DC, so a 5VA transformer will be sufficient to power two meter circuits. One 15V output goes to the terminal AC1, the other to AC2. The 10 ohm resistor isolates the earth connection to help prevent hum if the same transformer is used to power a preamp (for example).
Figure 2 - Power Supply Circuit (Single 15V AC Winding)
The power supply is very simple, and can easily be hard-wired. A 15-0-15V transformer can also be used, so the circuit can use the same transformer as a preamp (for example). The supply voltage must not exceed 25V DC or peak.
Figure 3 - Power Supply Circuit (Two 15V AC Windings - 15-0-15)
If you wish to use a centre-tapped transformer, use the circuit shown in Figure 3. Performance is identical to that of Figure 2 for all intents and purposes.
![]() | Note: The
total supply voltage must be greater than the reference voltage, but
the circuit will work perfectly with supply voltage down to 5V for a
reference voltage of 4V or less. If a low voltage supply is used, RDC
and DC+ may simply be joined together. The use of raw DC is only a
requirement with supply voltages above around 12V to keep the
dissipation of the LM3915 within ratings. |
The formula for sensitivity is somewhat complex, and is further complicated by the fact that the same resistors that change the reference voltage also affect the LED current. As shown, LED current is about 12mA. To save you the (very) tedious calculations, I have prepared a table to use to set the reference voltage (the reference voltage sets the signal level for the "all LEDs on" condition). This always needs to be slightly lower than the voltage to be measured, so that fine adjustments can be made with VR1. LED current is fixed at about 10-13mA for all voltages.
| Ref. Voltage | R3 (k) | R4 (k) | I led (mA) |
| 12 (11.6) | 2.2 | 15 | 12 |
| 10 (9.99) | 2.7 | 15 | 10.2 |
| 8 (8.13) | 2.2 | 10 | 10.4 |
| 6 (5.81) | 1.8 | 5.6 | 10.5 |
| 4 (3.81) | 1.2 | 2.2 | 12.9 |
| 2 (2.20) | 1.2 | 0.82 | 11.9 |
Now, if the above looks too irksome, or fails to meet your needs, you can download a little calculator that will do exactly what you want, and can even check what values you will get from "real world" resistor values. Click here to download LM3915.zip (12,583 bytes), and extract the files into the directory (folder) of your choice. (Note, the program needs the Visual Basic 4 runtime libraries.)
The circuit only senses the positive signal (i.e. it is half-wave only). In most cases this is not a problem, because although audio waveforms are asymmetrical, the overall signal usually balances out over a period of time. If this is not desirable, a simple rectifier circuit using a dual opamp (a cheap one is quite OK) is shown in Figure 2, and can be added between the signal source and the input. This is not a "precision" rectifier, and as such will introduce a small error into the signal, causing the sensitivity of low level signals to be reduced. The lowest couple of LEDs will therefore not be exactly 3dB apart, but for monitoring purposes this error can be completely ignored.
If this is to be used, substitute a fixed 100k resistor for VR1 (from Pin 5 to ground) in Figure 1, and bring the signal into the IC via R1 as shown by the dashed line. VR1 in the signal rectifier will be used to change the gain rather than the meter circuit. R3 and R4 should use the values shown in Figure 1 for best accuracy.
Figure 4 - Simple Full Wave Rectifier and Preamp
The signal rectifier needs a +/- supply of 15 volts, and the audio signal is fed directly into the "Audio" input of the meter circuit. I suggest that the signal level to the rectifier be reasonably high (or use the "Set Gain" control to increase the gain of the first stage). This will minimise the errors from the "less than perfect" rectifier. The reason for not using a precision rectifier circuit is simply one of cost - there are more components, the opamp needs to be better than the 1458 specified, and the result is just not worth the extra effort. The speed of the circuit can be adjusted by varying the value of C3. With a high value (say 10uF), the meter will act more like a peak programme meter, holding the highest peaks for a relatively long time. The lower the value, the more quickly the meter will respond.
Note - the input to this circuit must be less than 10V RMS at all times. Higher levels will be clamped by the protection diodes (D1, D2), but these cannot be relied upon for continuous protection against high level input signals. Excessive levels will destroy the opamp's input circuit. For higher voltage an input attenuator must be used, and an external limiting resistor (10k) in series with the input is recommended.. |
The gain of this circuit (as shown) is limited to a maximum of 11. At higher gain values, cheap opamps (such as the 1458) will be unable to amplify the highest frequencies due to their bandwidth limitations. This means that the lowest level signal you can have for a full scale reading will be about 1.3V peak, or about 900mV RMS. The maximum gain I would recommend is obtained using a 4.7k resistor for R3. This will give a gain of about 22, at which point the response will barely make it to 20kHz. This equates to a maximum signal sensitivity of a little under 400mV RMS. It is unlikely that this will ever be needed in practice, as it is far too low to operate any preamp or mixer and retain respectable noise performance.
You have (of course) selected the resistors R3 and R4 to give a reference voltage slightly lower than the peak voltage to be measured. Now the meter can be calibrated to suit your application.
This could not be simpler. At the maximum level you wish to operate the equipment (as shown on an audio millivoltmeter or oscilloscope with signal applied), adjust VR1 so that the signal illuminates all the green LEDs (L1 is the most sensitive, and L10 indicates maximum level, so L1 to L8 should be lit). If the input is directly from a speaker output, an additional series resistor should be used at the "Aud" input terminal to reduce the level. This can be determined by calculation (I leave this to you) or by experiment. As a guide, for a 50W amplifier, the external resistance should be about 47k ohms.
If you are using the external signal rectifier, VR1 should have been omitted from the circuit as described above. Apply the signal voltage to the input of the signal rectifier at the maximum permitted level. Adjust VR1 (on the rectifier) to illuminate LEDs L1 to L8.
If you are calibrating the meter for a power amplifier, set the output to a level just below clipping. Adjust the level control until all LEDs are illuminated. This way, if the last LED (L10) lights when you are listening to music, you will know that you are very close to clipping, and the volume should be reduced.
| Copyright Notice. This article, including but not limited to all text and diagrams, is the intellectual property of Rod Elliott, and is Copyright (c) 2000-2008. Reproduction or re-publication by any means whatsoever, whether electronic, mechanical or electro- mechanical, is strictly prohibited under International Copyright laws. The author (Rod Elliott) grants the reader the right to use this information for personal use only, and further allows that one (1) copy may be made for reference while constructing the project. Commercial use is prohibited without express written authorisation from Rod Elliott. |